
EN
— 產品中心 —
全國服務電話 075528990558 地址:深圳市龍崗區南聯向銀路71號匯川科技園華鵬艾偉大廈A棟
高功率激光鏡頭是應用于高功率激光焊接、激光切割等領域的高精度掃描場鏡其特點是:可承受3KW到6KW的高能量連續激光全視場內滿足平場要求像質達到衍射極限。高功率F-theta場鏡可減少高功……
產品詳情
高功率激光場鏡是應用于高功率激光焊接、激光切割等領域的高精度掃描場鏡,其特點是:可承受3KW到6KW的高能量連續激光,全視場內滿足平場要求,像質達到衍射極限。高功率F-theta場鏡可減少高功率、短脈沖激光產生的熱偏移現象,用于更高損傷閾值。華鵬艾偉高功率石英焊接場鏡1080nm-30光斑SilicaA分為兩款,另外一款為高功率石英焊接場鏡1080nm-30光斑SilicaA,為不帶水冷。
場鏡可分為f-theta透鏡和遠心透鏡。由于遠心透鏡的成本和費用很高,在工業應用的激光焊接機中主要使用F-theta透鏡。在沒有變形的情況下,聚焦點的位置取決于透鏡的焦距以及偏轉角的切線,聚焦點的位置僅取決于焦距和偏轉角,這樣就簡化了焦點定位的計算方法。
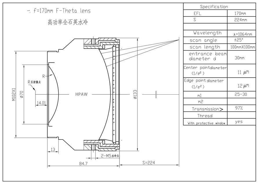
選用場鏡,主要考慮的技術參數是工作波長、入射光瞳、掃描范圍和聚焦光斑直徑。
工作波長:主要是看激光器的波長,場鏡是在給定的激光波長鍍膜的。如果不在給定的波長范圍內用場鏡,場鏡會被激光燒壞的。
入射光瞳:如使用的是單片鏡,反射鏡置于入射光瞳的地方,最大可用光束的直徑等于入射光瞳的直徑。

| 商品編碼 | 商品名稱 | 規格型號 | 計量單位 |
| D12.006 | 石英場鏡 Silica A(水冷30CA) | HP-1064-100-170-Fused Silica A | 個 |
| D12.007 | 石英場鏡 Silica A(水冷30CA) | HP-1064-140-210-Fused Silica A | 個 |
| D12.008 | 石英場鏡 Silica A(水冷30CA) | HP-1064-160-254-Fused Silica A | 個 |
| D12.009 | 石英場鏡 Silica A(水冷30CA) | HP-1064-200-330-Fused Silica A | 個 |
| D12.010 | 石英場鏡 Silica A(水冷30CA) | HP-1064-255-420-Fused Silica A | 個 |
| D12.011 | 光纖石英場鏡H(水冷) | HSL-(1030-1090)-180-400-30CA-M102*1-WC | 個 |
| D12.012 | 光纖石英場鏡U(水冷) | HSL-(1030-1090)-180-400-30CA-M102*1-U-WC | 個 |
聚焦光斑直徑:對于入射激光束直徑D、場鏡焦距F和光束質量因子Q的掃描系統,聚焦光斑直徑d = 13.5QF/D (mm)。所以用擴束鏡可以得到更小的聚焦光斑。
掃描范圍:場鏡能掃描到的范圍越大,當然越受使用者的歡迎。但是如果增加掃描范圍,聚焦光點變大,失真度也要加大。另外加大掃描范圍,場鏡焦距和工作距也要加大。工作距離的加長,必然導致激光能量的損耗。還有聚焦后的光斑直徑跟焦距成正比,這意味著加大掃描范圍,聚焦光斑直徑跟著加大,光斑聚得不夠細,激光的功率密度下降非常快(功率密度跟光斑直徑的2次方成反比),不利于加工。所以使用者要根據不同的加工面積選用最適合的場鏡,或者備用幾個不同掃描范圍的場鏡。
以上只是高功率F-theta焊接場鏡30光斑水冷簡單介紹,如需要更詳細的高功率F-theta焊接場鏡30光斑水冷資料信息,請聯系華鵬艾偉對應銷售人員。
上一篇:沒有了
相關推薦
華鵬艾偉是一家專業的激光打標機配件、激光焊接機配件、激光切割機配件等激光全套配件綜合解決方案品牌供應商和批發商!
地址:深圳市龍崗區南聯向銀路71號匯川科技園華鵬艾偉大廈A棟 TEL:0755-28990558